您好!欢迎访问合肥仁楷智能装备有限公司官网!
咨询热线:138-1681-8164
新闻资讯

传播公司新闻,了解行业动态

当前位置: 首页 新闻资讯
新闻资讯

合肥仁楷电气浅谈:电流互感器接线和选用

发布时间:2025-11-03    来源:合肥仁楷智能    浏览次数:353
电流互感器通常与电能表、电流表、多功能电力仪表及保护继电器等连接、如果电流互感器接线错误,会造成计量不准确、继电保护装置不能反映网络中的故障而误动或拒动。另外,电流互感器选用不当,同样会造成上述情况。因此,采用正确的接线方式和选择合适的电流互感器十分重要。
1、电流互感器各端子的标志
电流互感器一次侧端子为L1、L2,二次侧端子为K1、K2。其含义为当一次侧电流为L1流向L2时,二次侧电流对互感器二次
侧负荷为K1流向负荷再流向K2,即对于二次负荷K1与L1,K2与L2为同名端。
2、电流互感器正确接线
如图纸中有极性端子的代号,应对应电流互感器上端子标志接线。如图纸上没有同名端标志,应按L1与K1、L2与K2为同名端进行接线。
电流互感器一次侧接法和同名端的标注如图1所示。但一般一次侧按L1流向L2安装,二次侧的K1端接电流表(或多功能电力仪表、继电器)的电流流入端,K2端接流出端并接地。
合肥仁楷电气 
图1(a)为电流互感器一次侧接法              图1(b)电流互感器一次侧接法                    图1(c)同名端的标注
图1  电流互感器一次侧接线和同名端标注
3、电流互感器正确接地
电流互感器的外壳和二次回路应接地。二次回路接地的原则是一点接地,通常习惯在“-”端接地,不允许两点或多点接地,以免形成回路或短路。在三相电路中常用2台或3台电流互感器组成一组。实际使用中常将它们的二次回路按一定的接线方式接成星形、不完全星形、两相差接或三相三角形等。这时应特别注意:在整个二次回路上采用一点接地,习惯上选在二次回路中性点或公共端。
4、电流互感器与电流继电器的四种接线及接线系数
(1)电流互感器四种接线方式
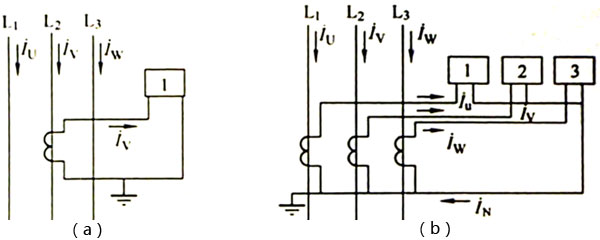
①电流互感器一相式接线
如图2(a)所示。其二次侧电流线圈通过的电流,反映一次电路对应相的电流。常用在负荷平衡的三相电路中测量电流,或在继电保护中作过负荷保护。
合肥仁楷电气 
图2(a) 电流互感器一相式接线                    图2(b) 电流互感器三相Y形接线
②电流互感器三相Y形接线
电流互感器三相Y形接线又称完全星形接线。如图2(b)所示。其三个电流线圈通过的电流,正好反映各相的电流。它广泛用在负荷不论平衡与否的三相电路中,特别广泛用于三相四线制系统,包括TN-C系统、TN-S系统或TN-C-S系统中供测量用。也常用于继电保护中作过电流保护、差动保护等。 
③电流互感器两相V形接线
电流互感器两相V形接线又称为两相两继电器接线或不完全星形。如图2(c)所示。其继电器中流过的电流就等于电流互感器二次电流,反映的是相电流。又由Ìu+Ìw=-Ìv。可知,电流互感器二次侧公共线上的电流,正好是未接电流互感器的V相的二次电流,因此这种接线的三个电流线圈,分别反映了三相的电流。它广泛用于中性点不接地而负荷不平衡与否的三相三线制电路中,供测量三个相电流之用。也常用于继电保护中作过电流等保护。
合肥仁楷电气 
图2(c)为电流互感器两相V形接线                               图2(d)为电流互感器两相电流差接线
④电流互感器两相电流差接线
电流互感器两相电流差接线又称为两相一继电器接线。如图2(d)所示。其二次侧公共线流过的电流,等于两个相电流的矢量差。它多用于三相三线制电路的继电保护中作过电流等保护。
(2)四种接线方式的接线系数
各种接线方式的接线系数Kjx由公式计算:Kjx=Ij/I2,式中Ij为实际流入继电器的电流(单位:A);I2为电流互感器的二次电流(A)。
对于一相式、三相Y形和两相V形[图2(a)、图2(b)、图2(c)]:在正常运行与相间短路时,Ij=I2,故Kjx=1。
对于两相电流差接线[图2(d)]:在正常运行与三相短路时,Ij=I2,故Kjx=;UW两相短路时,Ij=2I2,Kjx=2;UV和VW两相短路时,Ij=I2,Kjx=1。
5、不同接线方式下在各种故障时的电流分配和矢量图
利用表1~表4也可计算接线系数Kjx。表中Ij1、Ij2、Ij3分别为流入继电器1、2、3的电流。单相接地电流最小值为Id.min。
当保护装置的灵敏度不能满足要求时,需采取补救措施,如过流保护加装低电压启动等。后备保护的灵敏度不能达到要求时,可适当降低要求,如缩短后备保护作用的范围等。另外还可以采用无选择性动作而用自动重合闸弥补等。
表1  互感器与继电器星形接线在各种故障时的电流分配和矢量图
合肥仁楷电气 
表2   电流互感器与继电器不完全星形接线线路在各种故障时的电流分配和矢量图
合肥仁楷电气 
表3   电流互感器接成三角形而继电器接成星形在各种故障时的电流分配和矢量图
合肥仁楷电气 
表4     接于两个不同相的电流互感器和一个继电器在各种故障时的电流分配和矢量图
合肥仁楷电气 
《电流互感器的接线》由合肥仁楷智能装备有限公司技术部整理编写,对电工深入了解电流互感器知识,正确使用电流互感器,顺利完成电器柜电气元件装配工作大有帮助。合肥仁楷电气“技术文库”欢迎您前来投稿,和大家分享您的经验和知识。

声明:本网站发布的内容(图片、视频和文字)以原创、转载和分享网络内容为主,如果涉及侵权请尽快告知,我们将会在第一时间删除。文章观点不代表本网站立场,如需处理请联系客服。电话:13816818164。

本站全力支持关于《中华人民共和国广告法》实施的“极限化违禁词”的相关规定,且已竭力规避使用“违禁词”。故即日起凡本网站任意页面含有极限化“违禁词”介绍的文字或图片,一律非本网站主观意愿并即刻失效,不可用于客户任何行为的参考依据。凡访客访问本网站,均表示认同此条款!反馈邮箱:624329604@qq.com。