您好!欢迎访问合肥仁楷智能装备有限公司官网!
咨询热线:138-1681-8164
新闻资讯

传播公司新闻,了解行业动态

当前位置: 首页 新闻资讯
新闻资讯

谈电压互感器接线_合肥仁楷电气_非标电气设备专供服务商

发布时间:2025-11-04    来源:合肥仁楷智能    浏览次数:327
电压互感器通常与电能表、电压表、多功能电力仪表及保护继电器等连接、如果电压互感器接线错误,会造成计量不准确、继电保护装置不能反映网络中的故障而误动或拒动。另外,电压互感器选用不当,同样会造成上述情况,甚至危害人员生命安全。合肥仁楷电气在本文介绍电压互感器接线知识,对大家正确使用电流互感器,顺利完成电器柜电气元件装配工作大有帮助。
1、电压互感器各端子的标志
单相电压互感器一次侧端子为U、X,二次侧为u、x;三相电压互感器一次侧端子为U、V、W,二次侧为u、ⅴ、w、0。电压互感器具有首端标志u的端子应和仪表的相线端连接,末端x接地并与仪表中性线端连接。
2、电压互感器的接线
①一个单相电压互感器的接线
一个单相电压互感器的接线如图1所示。供仪表、继电器接于一个线电压。
合肥仁楷电气 
图1   一个单相电压互感器的接线
②两个单相电压互感器V/V接线
两个单相电压互感器V/V接线如图2所示。供仪表、继电器接于三相三线制电路的各个线电压。它广泛地应用在变电所、配电所6-10kV高压配电装置中。
合肥仁楷电气 
图2   两个单相电压互感器V/V接线
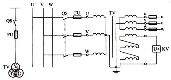
③三个单相电压互感器Y0/Y0接线
三个单相电压互感器Y0/Y0形如图3所示。供电给要求线电压的仪表、继电器,并供给接相电压的绝缘监视电压表。
合肥仁楷电气 
图3    三个单相电压互感器Y0/Y0接线
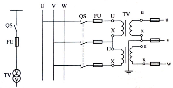
④三个单相三绕组电压互感器或一个三相五心柱三绕组电压互感器Y0/Y0/△(开口三角)接线
接线如图4所示。接成Y0的二次绕组,供给需要线电压的仪表、继电器,以及绝缘监视电压表;辅助二次绕组接成开口三
角形,构成零序电压过滤器,供给监视线路绝缘的电压继电器。
合肥仁楷电气 
图4    三个单相绕组电压互感器或一个三相五心柱三绕组电压互感器Y0/Y0/△接线
3、电压互感器正确接地
①电压互感器二次回路的接地和电流互感器二次回路的接地一样,只能在电压互感器二次回路上一点接地,不能两点(或多点)接地,以免形成短路。
电压互感器,几种常见接地点的作用。电压互感器的接地方式通常有三种:第一种是一次侧中性点接地;第二种是二次侧线圈接地;第三种是互感器铁心接地。三种接地的作用不尽相同。
①一次侧中性点接地
由三只单相电压互感器组成星形接线时,其一次侧中性点必须接地,如图5所示。因为电压互感器在系统中不仅有电压测量作用,而且还起继电保护的作用。
合肥仁楷电气 
图5   三只单相电压互感器组成星形接线
当系统中发生单相接地故障时,系统中会出现零序电流。如果一次侧中性点没有接地,那么一次侧就没有零序电流通路,二次侧开口三角形线圈两端也就不会感应出零序电压,继电器KV就不会动作,发不出接地信号;对于三相五柱式电压互感器,其一次侧中性点同样要接地;由两只单相电压互感器组成的V-V形接线时,其一次侧是不允许接地的,因为这相当于系统的一相直接接地。而应在二次中性点接地,如图1所示。
②二次侧接地
电压互感器二次侧要有一个接地点,这主要是出于安全上的考虑。当一、二次侧绕组间的绝缘被高压击穿时,一次侧的高压会窜到二次侧,有了二次侧的接地,能确保人员和设备的安全。另外,通过接地,可以给绝缘监视装置提供相电压。
二次侧的接地方式通常有中性点接地和v相接地两种,如图6所示。根据继电保护等具体要求加以选用。
合肥仁楷电气 
图6     电压互感器二次侧的接地方式    说明:图6(a)中性点接地;图6(b)v相接地
采用v相接地时,中性点不能再直接接地。为了避免一、二次绕组间绝缘击穿后,一次侧高压窜入二次侧,故在二次侧中性点通过一个保护间隙接地。当高压窜到二次侧时,间隙击穿接地,v相绕组被短接,该相熔断器会熔断,起到保护作用。
二次侧接地点按规程规定,均应选在主控室保护屏经端子排接地,而在配电装置处只设置试验检修时的安全接地点。
③铁心接地
在电压互感器外壳上有一个接地桩头,这是铁心和外壳的接地点,起安全保护作用。

声明:本网站发布的内容(图片、视频和文字)以原创、转载和分享网络内容为主,如果涉及侵权请尽快告知,我们将会在第一时间删除。文章观点不代表本网站立场,如需处理请联系客服。电话:13816818164。

本站全力支持关于《中华人民共和国广告法》实施的“极限化违禁词”的相关规定,且已竭力规避使用“违禁词”。故即日起凡本网站任意页面含有极限化“违禁词”介绍的文字或图片,一律非本网站主观意愿并即刻失效,不可用于客户任何行为的参考依据。凡访客访问本网站,均表示认同此条款!反馈邮箱:624329604@qq.com。