您好!欢迎访问合肥仁楷智能装备有限公司官网!
咨询热线:138-1681-8164
新闻资讯

传播公司新闻,了解行业动态

当前位置: 首页 新闻资讯
新闻资讯

合肥仁楷智能装备聊聊电气控制线路的控制关系

发布时间:2025-12-28    来源:合肥仁楷智能    浏览次数:144
工业电气设备控制线路是依靠启动按钮、停止按钮、转换开关、交流接触器、过热保护继电器等来对电动机进行控制,再由电动机带动电气设备中的机械部件运作,从而实现对电气设备的控制。典型工业电气设备控制线路主要是由供电线路、保护线路、控制线路、照明灯线路及三相交流电动机等部分构成的。
1、供电线路主要由输入接线板和电源总开关QS构成,该线路用于为三相交流电动机及控制部件提供所需的工作电压。
2、保护线路主要是由熔断器和过热保护继电器构成的。熔断器FU1、FU2为支路熔断器,用于支路的过载、短路保护;熔断器FU3-FU5为主线路熔断器,用于主线路的过载、短路保护;过热保护继电器FR则用于三相交流电动机的过热保护。
3、控制线路主要由启动按钮SB2、停止按钮SB1和交流接触器KM构成。通过启停按钮控制交流接触器触点的闭合与断开,从而实现对三相交流电动机工作状态的控制。
4、照明灯线路主要是由照明灯EL、灯座开关SA2以及照明变压器T等构成的,用于车床工作时的照明。
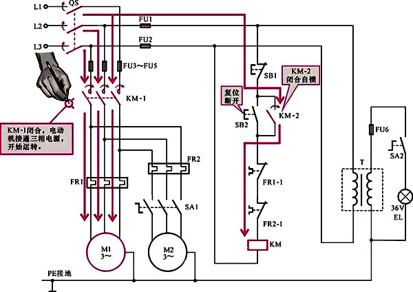
◆主轴电动机的启动过程
合肥仁楷智能装备 
图1和图2所示为主轴电动机的启动过程,合上电源总开关QS,接通三相电源。按下启动按钮SB2,其内部常开触点闭合。交流接触器KM线圈得电。
合肥仁楷智能装备 
交流接触器KM线圈得电后,常开辅助触点KM-2闭合自锁,使KM线圈保持得电。常开主触点KM-1闭合,电动机M1接通三相电源,开始运转。
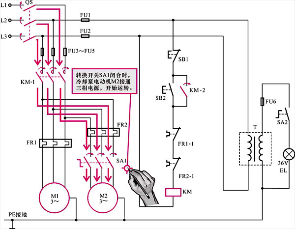
◆冷却泵电动机的控制过程
合肥仁楷智能装备 
图3所示为冷却泵电动机的控制过程。在主轴电动机M1得电运转后,才能使用转换开关SA1对冷却泵电动机M2进行控制。转换开关SA1在断开状态时,冷却泵电动机M2失电,停止运转。
转换开关SA1在闭合状态时,冷却泵电动机M2接通三相电源,开始启动运转。
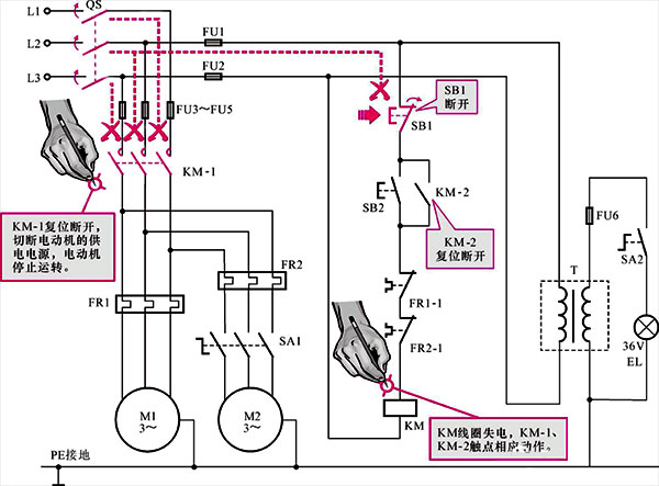
◆电动机的停机过程
合肥仁楷智能装备 
图4所示为电动机的停机过程。
当需要停机时,按下停机按钮SB1。
交流接触器KM线圈失电,其触点全部复位。
常开主触点KM-1复位断开,切断电动机供电电源,电动机停止运转。
◆照明灯的控制过程
合肥仁楷智能装备 
照明灯EL的36V供电电压是由照明变压器T次级输出的。
照明灯EL的亮/灭状态受灯座开关SA2的控制。
在需要照明灯时,可将SA2旋至接通的状态。
此时照明变压器次级为通路,照明灯EL亮。
将SA2旋至断开的状态,照明灯处于灭的状态

声明:本网站发布的内容(图片、视频和文字)以原创、转载和分享网络内容为主,如果涉及侵权请尽快告知,我们将会在第一时间删除。文章观点不代表本网站立场,如需处理请联系客服。电话:13816818164。

本站全力支持关于《中华人民共和国广告法》实施的“极限化违禁词”的相关规定,且已竭力规避使用“违禁词”。故即日起凡本网站任意页面含有极限化“违禁词”介绍的文字或图片,一律非本网站主观意愿并即刻失效,不可用于客户任何行为的参考依据。凡访客访问本网站,均表示认同此条款!反馈邮箱:624329604@qq.com。