您好!欢迎访问合肥仁楷智能装备有限公司官网!
咨询热线:138-1681-8164
新闻资讯

传播公司新闻,了解行业动态

当前位置: 首页 新闻资讯
新闻资讯

非标设备电气设计规范(十一) 标记和告警标识

发布时间:2025-10-31    来源:合肥仁楷智能    浏览次数:387
11.1、电气部件标识
a)所有电气部品都应清晰的标出和技术文件相一致的项目代号,且需要做双重标识;
b)柜内部件,部件上、部件上方的线槽或者安装板上;
c)门上部件,部件上、部件的安装背板上。
 
d)对于插入式端子排的标识板应注明其方向性,如下图
 
e)所有标识标记、警告标志、铭牌都应明确醒目且经久耐用,经得住复杂的实际环境影响。
f)对于空开标记,除标注其代号外,也可应标注其功能。如下图
 
11.2、铭牌
铭牌应固定在邻近各个引入电源的外壳上,并给出以下信息
1、供方的名称或商标
2、必要的认证标记(CCC、CE、PSE等)
3、额定电压、相数及满载电流
---------上述引自GB/T 5226.1-2019_16.4
4、设备的出厂编号
5、制造日期
6、其他客户指定需要的参数
11.3、告警标示
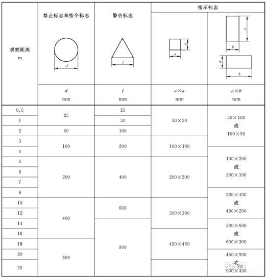
11.3.1、告警标识尺寸
在良好观察条件下,安全标志的最小推荐尺寸及对应的观察距离见下表,当观察条件不适合但又需要标志时,则相应增大标志的尺寸。
 
---------上表引自GB 18209.1-2010 附录NA.1
11.3.2、电击危险
不能清楚表明其中装有电气部件的外壳、进线端子、例外电路,都应标出如下图所示的图形符号。外壳装有电源切断开关的,可以省略下图标记
 
ISO 7010-W012
11.3.3、热表面风险
风险评估表明需要警告防止电气设备危险表面温度的可能性,应使用下图所示的图形符号。
 
ISO 7010-W017

声明:本网站发布的内容(图片、视频和文字)以原创、转载和分享网络内容为主,如果涉及侵权请尽快告知,我们将会在第一时间删除。文章观点不代表本网站立场,如需处理请联系客服。电话:13816818164。

本站全力支持关于《中华人民共和国广告法》实施的“极限化违禁词”的相关规定,且已竭力规避使用“违禁词”。故即日起凡本网站任意页面含有极限化“违禁词”介绍的文字或图片,一律非本网站主观意愿并即刻失效,不可用于客户任何行为的参考依据。凡访客访问本网站,均表示认同此条款!反馈邮箱:624329604@qq.com。