您好!欢迎访问合肥仁楷智能装备有限公司官网!
咨询热线:138-1681-8164
新闻资讯

传播公司新闻,了解行业动态

当前位置: 首页 新闻资讯
新闻资讯

仁楷电气浅谈星形-三角形降压启动控制电路

发布时间:2025-10-29    来源:合肥仁楷智能    浏览次数:643
合肥仁楷电气介绍星形-三角形降压启动控制电路的工作原理及电气元件实物接线,星形-三角形降压启动控制电路是电工和仪表工必须熟练掌握的基本控制电路。
三相异步电动机在刚启动时,流过电子绕组的电流很大,为额定电流的4-7倍。对于容量大的电动机,若采用普通的全压启动方式,会出现启动时电流过大而使供电电源电压下降很多的现象,这样可能会影响采用同一供电电源的其他设备的正常工作。
解决上述问题的方法及时对三相异步电动机进行降压启动,待电动机运转以后再提供全压。一般规定,供电电源容量在180kV.A以上,电动机容量在7kW以下的三相异步电动机可采用直接全压启动,超出这个范围需采用降压启动方式。另外,由于降压启动时流入电动机的电流较小,电动机产生的力矩小,因此降压启动需要在轻载或空载时进行。
降压启动控制线路种类很多,下面仅介绍较常见的星形-三角形(Y-△)降压启动控制电路。
1、星形-三角形降压启动的接线方式
三相异步电动机接线盒有U1、U2、V1、V2、W1、W2工6个接线端,如图1所示。当U2、V2、W2三端连接在一起时,内部绕组就构成了星形连接,如图2所示;当U1、W2、U2和V1、V1、W2两两连接在一起时,内部绕组就构成了三角形连接,如图3所示。若三相电源任意两相之间的电压是380V,当电动机绕组接成星形时,每个绕组上的实际电压值为;当电动机绕组接成三角形时,每个绕组上的电压值为380V。由于绕组接成星形时电压降低,相应流过绕组的电流也减小(约为三角形接法的1/3)。
仁楷电气 
图1   三相异步电动机接线盒   
仁楷电气 
图2    三相异步电动机绕组按星形接法接线
仁楷电气 
图3    三相异步电动机绕组按三角形接法接线
星形-三角形降压启动控制电路就是在启动时将电动机的绕组接成星形,启动后再将绕组接成三角形,容电动机全压运行。当电动机绕组接成星形时,绕组上的电压低、流过的电流小,因而产生的力矩也小,所以星形-三角形降压启动只适用于轻载或空载启动。
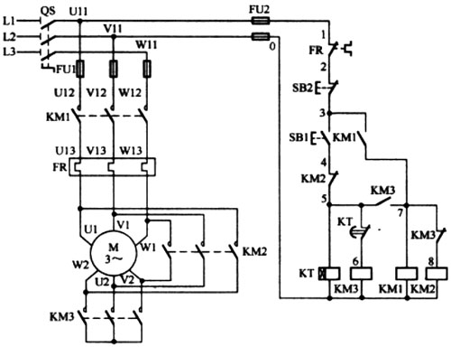
2、星形-三角形降压启动电路
星形-三角形降压启动电路如图4所示,该电路采用时间继电器来自动控制切换。星形-三角形降压启动电路工作原理分析如下:
仁楷电气 
图4     星形-三角形降压启动电路
仁楷电气 
图5     星形-三角形降压启动电路元件实物连线图
①闭合电源开关QS
②星形降压启动控制
按下启动按钮SB1→接触器KM3线圈和时间继电器KT线圈均得电→KM3主触点闭合、KM3常开辅助触点闭合、KM3常闭辅助触点断开→KM3主触点闭合,将电动机绕组接成星形;KM3常闭辅助触点断开使KM2线圈的供电切断;KM3常开辅助触点闭合使KM1线圈得电→KM1线圈得电使KM1常开辅助触点和主触点均闭合→KM1常开辅助触点闭合使KM1线圈在SB1断开后继续得电;KM1主触点闭合使电动机U1、V1、W1端得电,电动机星形启动。
③三角形正常运行控制
时间继电器KT线圈得电一段时间后,其延时常闭触点断开→KM3线圈失电→KM3主触点断开、KM3常开辅助触点断开、KM3常闭辅助触点闭合→KM3主触点断开,取消电动机绕组的星形连接;KM3常闭辅助触点闭合,使KM2线圈得电→KM2线圈得电使KM2常闭辅助触点断开、KM2主触点均闭合→KM2常闭辅助触点断开,使KT线圈失电;KM2主触点闭合,将电动机绕组接成三角形方式,电动机以三角形连接正常运行。
④停止控制
按下停止按钮SB2→KM1、KM2、KM3线圈均失电→KM1、KM2、KM3主触点均断开→电动机因供电被切断而停转。
⑤断开电源开关QS
【提示】现场在连接电缆时,务必将电动机接线盒内各端子上的短接片取掉!
星形-三角形启动电路时电工必须掌握的电路,仪表工在现场维护时也经常碰到,所以仪表工业必须熟悉和掌握该电路的原理、接线和故障处理,多一门技能对大家工作百利而无一害。

声明:本网站发布的内容(图片、视频和文字)以原创、转载和分享网络内容为主,如果涉及侵权请尽快告知,我们将会在第一时间删除。文章观点不代表本网站立场,如需处理请联系客服。电话:13816818164。

本站全力支持关于《中华人民共和国广告法》实施的“极限化违禁词”的相关规定,且已竭力规避使用“违禁词”。故即日起凡本网站任意页面含有极限化“违禁词”介绍的文字或图片,一律非本网站主观意愿并即刻失效,不可用于客户任何行为的参考依据。凡访客访问本网站,均表示认同此条款!反馈邮箱:624329604@qq.com。