您好!欢迎访问合肥仁楷智能装备有限公司官网!
咨询热线:138-1681-8164
新闻资讯

传播公司新闻,了解行业动态

当前位置: 首页 新闻资讯
新闻资讯

合肥仁楷电气设备_电动机正转控制线路原理解读

发布时间:2025-10-27    来源:合肥仁楷智能    浏览次数:390
正转控制线路是电动机最基本的控制线路,合肥仁楷电气官网在本文对电动机基本控制电路做详细分析和解读,电气初学者必须熟悉和理解正转控制线路工作原理和应用,今后接触复杂电气控制回路大有帮助。
简单的正转控制线路
正转控制线路是电动机最基本的控制线路,控制线路除了要为电动机提供电源外,还要对电动机进行气动/停止控制,另外在电动机过载时还能进行保护。对于一些要求不高的小容量电动机,可采用如图1所示的简单的电动机正转控制线路,其中图1a为线路图,图1b为实物连接图。
合肥仁楷电气设备 
图1   简单正转控制线路
电动机的3根相线通过闸刀开关内部的熔断器FU和触点连接到三相交流电。当合上闸刀开关QS时,三相交流电通过触点、熔断器送给三相电动机,电动机运转;当断开QS时,切断电动机供电,电动机停转;如果流过电动机的电流过大,熔断器FU会因大电流流过二熔断,气短电动机供电,电动机得到了保护。为了安全起见,图中的闸刀开关可安装在配电箱或绝缘板上。
简单控制线路简单、元件少,适合做容量小且启动不频繁的电动机正转控制线路,图中的闸刀开关还可以用铁壳开关(封闭式符合开关)、组合开关或低压断路器来替代。
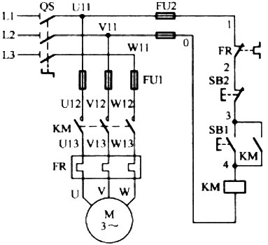
自锁正转控制线路
电动正转控制线路适用于电动机短时间运行控制,如果用作长时间运行控制极为不方便(需一致按住按钮不放)。电动机长时间连续运行常采用如图2所示的自锁正转控制线路。从图2可以看出,该线路是在电动正转控制线路的控制电路中多串接一个停止按钮SB2,并在启动按钮SB1两端并联一个接触器KM的常开辅助触点(又称自锁触点)而成的。自锁正转控制线路除了有长时间运行锁定功能外,还能实现欠电压和失电压保护功能。
合肥仁楷电气设备 
图2    自锁正转控制线路
合肥仁楷电气设备 
图3     三相异步电动机控制线路实物连接示意图
1、自锁正转控制线路工作原理
①合上电源开关QS
②启动过程
按下启动按钮SB1→L1、L2两相电压通过QS、FU2、SB2、SB1加到接触器KM线圈两端→KM徐安全得电吸合,KM主触点和常开辅助触点闭合→L1、L2、L3三相电压通过QS、FU1和闭合的KM主触点提供给电动机→电动机M通电运转。
③运行自锁过程
松开启动按钮SB1→KM线圈依靠启动时已闭合的KM常开辅助触点供电→KM主触点仍保持闭合→电动机继续运转。
④停转控制
按下停止按钮SB2→KM线圈失电→KM主触点和常开辅助触点均断开→电动机M断电停转。
⑤断开电源开关QS
2、自锁正转控制线路失电压保护
失电压保护是指当电源电压消失时切断电动机的供电途径,并保证在重新供电时无法自行启动。失电压保护过程分析如下:
电源电压消失→L1、L2两相间的电压消失→KM线圈失电→KM主触点、辅助触点断开→电动机供电被切断。在重新供电后,由于主触点、辅助触点已断开,并且启动按钮SB1也处于断开状体,因此线路不会自动为电动机供电。
3、自锁正转控制线路过载保护
在线路中有一个热继电器FR,其发热元件串接在主电路中,常闭触点串接在控制电路中。当电动机过载运行时,流过热继电器发热元件的电流偏大,发热元件(通常为双金属片)因发热而弯曲,通过传动机构将常闭触点断开,控制电路被切断,接触器KM线圈失电,主电路中的接触器KM主触点断开,电动机供电被切断而运转。
热继电器只能执行过载保护,不能执行短路保护,这是因为短路时电流虽然很大,但是热继电器发热元件弯曲需要一定时间,等到它动作时电动机和供电线路可能已被过大的短路电流烧坏。另外,当电路过载保护后,如果排除了过载因素,需要等待一定的时间让发热元件冷却复位,再重新启动电动机。
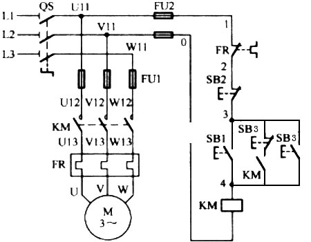
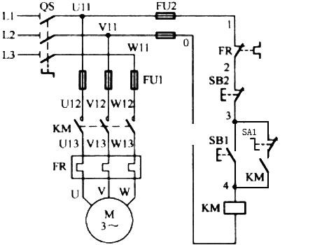
4、带点动启动和自锁正转控制线路
点动控制通常可以通过按钮、转换开关、中间继电器等来完成,下面分享用按钮和开关来实现点动和长动的控制线路:
合肥仁楷电气设备 
图4  用按钮实现点动和长动的控制线路
合肥仁楷电气设备 
图5    用转换开关来实现点动和长动的控制线路
以上举例的电路图读者需要结合电气图形符号和电气文字符号来学习。如果您已经能熟练掌握和应用电动机正转控制电路,不妨多了解这种电路在实践中应用,笔者建议您看看《温度控制系统构成及应用》,如能看懂且弄明白,就差实践了。

声明:本网站发布的内容(图片、视频和文字)以原创、转载和分享网络内容为主,如果涉及侵权请尽快告知,我们将会在第一时间删除。文章观点不代表本网站立场,如需处理请联系客服。电话:13816818164。

本站全力支持关于《中华人民共和国广告法》实施的“极限化违禁词”的相关规定,且已竭力规避使用“违禁词”。故即日起凡本网站任意页面含有极限化“违禁词”介绍的文字或图片,一律非本网站主观意愿并即刻失效,不可用于客户任何行为的参考依据。凡访客访问本网站,均表示认同此条款!反馈邮箱:624329604@qq.com。