您好!欢迎访问合肥仁楷智能装备有限公司官网!
咨询热线:138-1681-8164
新闻资讯

传播公司新闻,了解行业动态

当前位置: 首页 新闻资讯
新闻资讯

安徽非标设备电气设计规范(八) 设备用和电缆设计规范

发布时间:2025-10-28    来源:合肥仁楷智能    浏览次数:367
本章更新的是设备用电缆设计规范,这章节也是属于电气设计中最模糊的区域,没有统一的很严苛的定则,我把我项目中实际采用的规则分享给大家,大家也可以当个参考。
8.1、定义区别
在实际的项目中,对电缆叫法比较混乱,所以为了明确意义,本章开宗明义,对电缆的定义进行区别划分,以防止产生表述上的混淆。
电缆按照构成分为单芯线和多芯线。单芯线又叫导线、电线,英文表述为Wire,多芯线又叫电缆、护套线,英文Cable。多芯线按照使用状况分又分为固定用线缆和运动用线缆(单芯线一般只作为固定铺设或者低速低频率移动使用)。
安徽电气设备 
单芯线-Wire
安徽电气设备 
多芯线-Cable
一般就应用场景而言,柜内使用单芯线,柜外使用多芯线。原因也很简单,柜外的线缆更容易遭到各种破坏,所以需要护套进一步保护线缆。
安徽电气设备 
而本章节提到的电缆都是额定电压450/750V及以下聚氯乙烯绝缘电缆,中高压电缆及橡胶绝缘线缆等不在本章范围之内。
8.2、电缆在不同地区的分类
所谓一流国家定标准,美日欧作为老牌的发达国家,早就早早的定好了电缆标准,我国的电缆标准是等同于国际IEC标准而制定的。和美日欧有所不同,这些国家使用的电缆都是他们当地标准的电缆,而国内使用的电缆就五花八门了,而且如果是出口设备还要按照当地的标准配置线缆(如出口欧洲需要CE认真的线缆,出口日本需要PSE认证的线缆)。本章节无意在电缆本身做过多阐述,但是为了用的明白,还是将不同国家地区的电缆认证情况、类型等做一个总览如下图:
安徽电气设备 
此图请放大观看,如果实在看不清,或者想下载观看。可在公众号回复‘电缆类型’,从而自动获取下载链接。
8.3、 电缆选型原则
柜内布线选用单芯线,一般选择RV(GB-T 5023/IEC 60227中规定的ICE02)线。
柜外布线选用多芯线,固定用电缆电源线采用RVV(GB-T 5023/IEC 60227中规定的 ICE53)电缆,信号线推荐采用符合UL2464标准的屏蔽双绞电缆。如果多芯线使用过程中需要移动,必须选用运动电缆。
固定用电缆的布线弯折,折弯半径必须大于电缆允许的折弯半径,运动电缆的保护装置(如坦克链)的折弯半径也必须符合电缆折弯半径要求。电缆的折弯半径可查询电缆相关技术手册,或者询问供应商,如遇查询不到的情况,折弯一般按照R=6D~8D(D为线缆外径)来计算。
交流主电路导体截面积最低不低于1.0mm^2,交流控制电路导体截面积不低于0.75mm^2,接地线不低于1.5mm^2,直流主电路导体截面积不低于1mm^2,柜内信号线导体截面积不低于0.3mm^2,柜外多芯电源线不低于0.75mm^2,信号线导体截面积不低于0.08 mm^2。(此原则高于GB/T 5226.1-2019_12.2的规定)
*注:以上只是我个人针对国内设备电缆选型原则,只作为参考。出口设备需要根据出口的目的地而选择相应的线缆。
8.4、电缆导体截面积标称尺寸
在电缆选型中,一个最重要的参数就是导体截面积,但并不是所有需要的导体截面积都有,标准电缆都有一定的标准尺寸准则,如果在标准之外,可能就需要额外定制,时间久,价格贵。所以一般都是按照标准尺寸对电缆选型。实际中用到的电缆导体截面积标准尺寸如下图:
安徽电气设备 
电缆导体截面积标准尺寸
国标线及CE线执行的是第一列的标准尺寸,日标线执行的是第二列标准尺寸,美标线执行的是第三列标准尺寸。
8.5、电缆导体通流量
8.5.1、常用单芯线规格参数
安徽电气设备 
单芯线--RV线规格参数
 
单芯线--KIV线规格参数
安徽电气设备 
多芯线--RVV线规格参数
8.5.2、导体通流量修正系数
安徽电气设备 
导体通流量温度修正系数表
---------上表引自GB/T 16895.6-2014_表52.14
安徽电气设备 
导体通流量聚集安装额减系数
---------上述安装减额系数引自GB/T 5226-2019_表D2
8.6、电缆颜色识别
8.6.1、柜内单芯线
黑色:交流和直流动力电路
红色:交流控制电路
蓝色:直流控制电路
橙色:不经过电源切断开关的例外电路
淡蓝色:中性导线或者导体
黄绿色:保护导线或者导体(接地)
---------上述引自GB 5226.1-2019_13.2
根据上述国标规定,推荐导线颜色如下:
安徽电气设备 
对于对三相颜色识别有要求的客户需求,也可采用用线缆冷压端子绝缘护套来识别颜色
安徽电气设备 
识别颜色具体根据各国情况不同如下表:
安徽电气设备 
这里我想吐槽一下日本的设备,按GB T 5226.1/IEC 60204-1(此标准在日本也有对应的标准JIS B 9960-1:2008)中13.2.4中规定,一般来说,如果柜内存在黄绿色接地线,为防止混淆,柜内导线或者导体不可采用绿色和黄色。日本原来的接地线为绿色,但是最近几年为了和国际接轨,也普遍采用黄绿色作为地线的颜色,但是日本交流线控制线还是固执的要求采用黄色,说服不了。
8.6.2、柜外多芯线
柜外电源护套线采用RVV线,其内线芯绝缘层颜色识别应符合下表规定:
安徽电气设备 
柜外信号线采用符合UL2464的屏蔽双绞线,其中信号线用杂色识别,单色用于电源。如下图:
安徽电气设备 
8.7、电缆标注
8.7.1、线号管选择
一般情况下,柜内导线的标识是采用线号管(又叫标号管、号码管)方式标识。在号码管上打印上导线导体的标识。线号管规格应与导线规格相匹配,如下表:
安徽电气设备 
对于导线线径大于6mm,无法直接套取线号管的情况,请按照下图标记导线:
安徽电气设备 
当线号管和导线间隙过大,竖立的线号管因重力原因无法和端子紧密靠近时,需要在线号管下方用扎带阻止线号管的下滑,如下图:
安徽电气设备 
8.7.2、线号管方向
线号管有字的一侧应该在外面,保证检查线路时,线号管的内容可以被看见。线号管的视读方向按照线号管所处方向而定,一般原则为:水平方向从左到右,垂直方向由下而上,其他方向如下图:
安徽电气设备 
8.7.3、标注规则
根据GB-T 30085/IEC 62491,采用混合近端标记/信号标记/远端标记的方式对导线进行标识:
安徽电气设备 
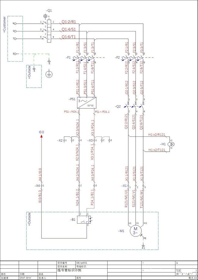
柜内接线可采用近端标记+信号标记,柜内对外端子可采用信号标记+远端标记,下图是一个标准标注的图例:
安徽电气设备 
此标注规则相对复杂,但是易于维护,易于识别。

声明:本网站发布的内容(图片、视频和文字)以原创、转载和分享网络内容为主,如果涉及侵权请尽快告知,我们将会在第一时间删除。文章观点不代表本网站立场,如需处理请联系客服。电话:13816818164。

本站全力支持关于《中华人民共和国广告法》实施的“极限化违禁词”的相关规定,且已竭力规避使用“违禁词”。故即日起凡本网站任意页面含有极限化“违禁词”介绍的文字或图片,一律非本网站主观意愿并即刻失效,不可用于客户任何行为的参考依据。凡访客访问本网站,均表示认同此条款!反馈邮箱:624329604@qq.com。