您好!欢迎访问合肥仁楷智能装备有限公司官网!
咨询热线:138-1681-8164
新闻资讯

传播公司新闻,了解行业动态

当前位置: 首页 新闻资讯
新闻资讯

跟大家分享一下变压器符号上小黑点的相关知识

发布时间:2025-11-16    来源:合肥仁楷智能    浏览次数:345
相信大家肯定在电路图上有见过变压器的电气符号,常会发现变压器符号上带有一个像眼睛的小黑点。这是表示什么呢?下面合肥仁楷智能就跟大家分享一下这个小黑点的相关知识。
 
变压器线圈上的标注的这个小黑点,其实是表示是同名端的意思,下面合肥仁楷智能跟大家举例说明到底什么是同名端。
同名端和异名端的定义
同名端,是互感线圈之间的电流或电动势相位判别的依据。同名端具体指的是:当两个互感线圈通入电流,所产生的磁通方向相同时,两个线圈的电流流入端称为同名端(又称同极性端),反之为异名端。
 
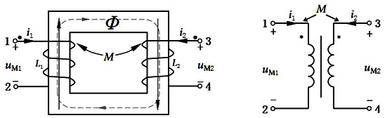
如下图的两个线圈,左边线圈的电流是从1端流入,右边线圈的电流是从3端流入,两线圈产生的磁通方向是一致的(相助),则1端和3端为同名端,2端和4端为同名端,1端和4端为异名端,2端和3端为异名端。
 
另外,如果在同一铁芯下,线圈的绕向是一致的,则相应端为同名端。
 
如何判断线圈同名端?
可以用万用表和一个电池进行判别,将次级线圈接上万用表,选择直流电压档。然后将初级线圈的一端接到电池负极,另一端接触一下电池正极,同时观察万用表测得电压的极性。
 
如上图中,初级线圈接触电池时,次级产生的感应电压的正极是红表笔所接的端口,所以电池正极所接的端口与万用表红表笔所接的端口是同名端。

声明:本网站发布的内容(图片、视频和文字)以原创、转载和分享网络内容为主,如果涉及侵权请尽快告知,我们将会在第一时间删除。文章观点不代表本网站立场,如需处理请联系客服。电话:13816818164。

本站全力支持关于《中华人民共和国广告法》实施的“极限化违禁词”的相关规定,且已竭力规避使用“违禁词”。故即日起凡本网站任意页面含有极限化“违禁词”介绍的文字或图片,一律非本网站主观意愿并即刻失效,不可用于客户任何行为的参考依据。凡访客访问本网站,均表示认同此条款!反馈邮箱:624329604@qq.com。